Dimensions of shaft ends A2 & A1

Here you will find an overview of the dimensions of the shaft ends of type A2 and type A1 depending on the bearing size. 
We follow DIN15207-1 for the standard versions*. 
*Other versions on request.

 

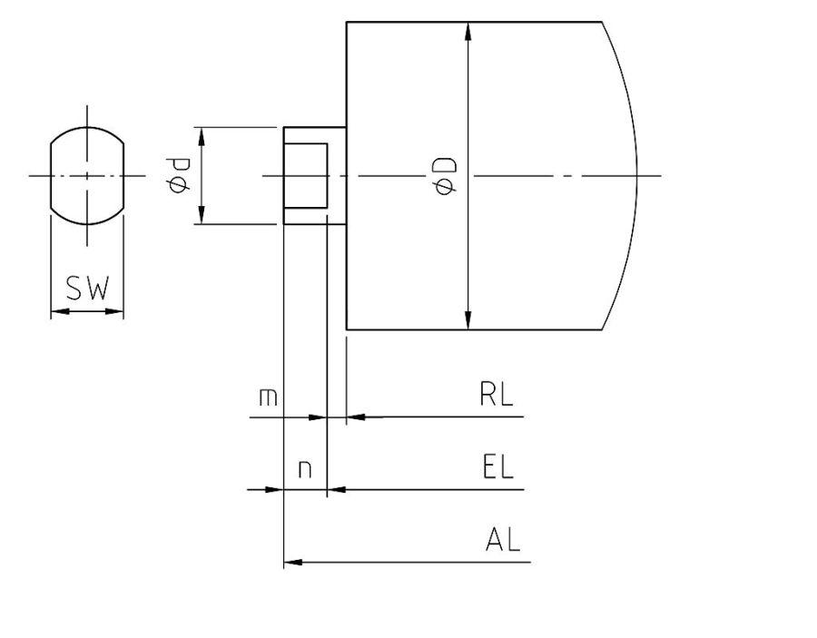
Type A2 - two-sided flattened shaft
Two-sided flattened shaft end of type A2. Sketch. 

 

A2 - Two-sided flattened shaft
 Bearing size

6204

6205 / 6305

6306

6308

6310

Ød, [mm]

20

25

30

40

 

SW, [mm]

15

18

22

32

 

m, [mm]

4

4

4

4

 

n, [mm]

9 / 19*

12 / 22*

12 / 22*

12 / 22*

 

*Dimension acc. to DIN15207-1 permissible for return rollers.

Other shaft ends on request.


Type A1 - one-sided flattened shaft
Owo-sided flattened shaft of type A1. Sketch.
A1 -  One-sided flattened shaft
 Bearing size

6204

6205 / 6305

6306

6308

6310

Ød, [mm]

20

25

30

40

 

b, [mm]

17

22

27

37

 

m, [mm]

4

4

4

4

 

n, [mm]

9 / 19*

12 / 22*

12 / 22*

12 / 22*

 

*Dimension acc. to DIN15207-1 permissible for return rollers.

Other shaft ends on request.

 

Tragrollen Kontakt Platzhalter

Your contact person