Dimensions shaft ends G1 & G2

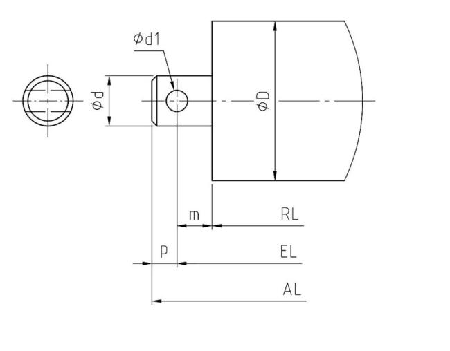
Shaft end with cross bore. Sketch.
G1 - Shaft with cross bores
 Bearing size

6204

6205 / 6305

6306

6308

6310

6312 / 21312 / 22312

Ød, [mm]

20

25

30

40

50

 
Ød1, [mm]

8.5

10.5

10.5

12.5

12.5

15.0

15

21

 
m, [mm]

14

16

16

20

20

24

24

20

 
p, [mm]

10

12

12

15

15

16

16

24

 
pcs*, [mm]

25.4

31.75

31.75

38.1

38.1

44.45

44.45

57.15

 

*pcs. = Recommended pitch for connecting link.

Other shaft ends on request.


 

Two-sided flattened shaft end with cross bore. Sketch.

 

G2 - two-sided flattened shaft end with cross bores
 Bearing size

6204

6205

6305

6306

6308

6310

6312 / 21312 / 22312

Ød, [mm]   

30

40

50

60

Ød1, [mm]   

12,5

15,0

21,0

26,0

m, [mm]   

20

24

20

20

n, [mm]   

35

40

55

55

p, [mm]   

15

16

24

27

SW, [mm]   

22

32

40

50

pcs*, [mm]   

38,1

44,45

57,15

57,15

*pcs. = Recommended pitch for connecting link.

Other shaft ends on request.

Tragrollen Kontakt Platzhalter

Your contact person